Electronics Prototyping » Switches, Buttons, and Relays » Relay Modules »
Pololu Basic 2-Channel SPDT Relay Carrier with 5VDC Relays, Terminal Blocks, and 0.1″ Headers
The Pololu basic 2-channel relay carrier modules allow simple, independent control of two single-pole, double-throw (SPDT) switches from low-voltage, low-current control signals. This item includes the basic carrier PCB with two soldered-in 5 V relays, 5mm-pitch terminal blocks for the switch connections, and straight 0.1" male headers for the control connections. The included power relays are Omron G5LE-14-DC5 and are rated for up to 10 A under most conditions.
Alternatives available with variations in these parameter(s): channels voltage style Select variant…
| Description | Specs (8) | Pictures (8) | Resources (6) | FAQs (0) | On the blog (1) | Distributors (48) |
|---|
![]() |
Pololu basic 2-channel SPDT relay carrier with 5 VDC relays (assembled). |
|---|
![]() |
Pololu basic 2-channel SPDT relay carrier with 5 VDC relays (assembled). |
|---|
![]() |
Pololu basic 2-channel SPDT relay carrier with both relays energized (5V version shown, servo cables not included). |
|---|
![]() |
Pinout of Pololu basic 2-channel SPDT relay carrier for “sugar cube” relays. |
|---|
![]() |
Pololu basic 2-channel SPDT relay carrier with dimensions. |
|---|
![]() |
A DC barrel jack can optionally be added in two possible orientations to supply power to the Pololu basic 2-channel SPDT relay carrier. |
|---|
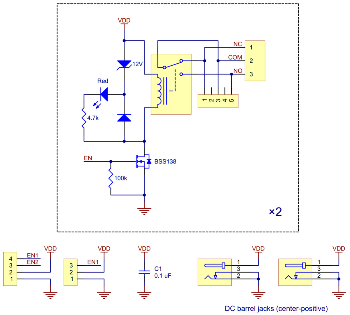
![]() |
Schematic diagram of the Pololu basic 2-channel SPDT relay carrier with 0.1″ headers. |
|---|
![]() |
Side-by-side comparison of the single and dual versions of the Pololu basic SPDT relay carriers. |
|---|

































